ǧÒÚ¹ú¼Ê

ǧÒÚ¡¤¹ú¼Ê(Öйú)Ψһ¹Ù·½ÍøÕ¾ ǧÒÚ¡¤¹ú¼Ê(Öйú)Ψһ¹Ù·½ÍøÕ¾
ǧÒÚ¡¤¹ú¼Ê(Öйú)Ψһ¹Ù·½ÍøÕ¾

OA

ǧÒÚ¡¤¹ú¼Ê(Öйú)Ψһ¹Ù·½ÍøÕ¾ ǧÒÚ¡¤¹ú¼Ê(Öйú)Ψһ¹Ù·½ÍøÕ¾
ǧÒÚ¡¤¹ú¼Ê(Öйú)Ψһ¹Ù·½ÍøÕ¾ ǧÒÚ¡¤¹ú¼Ê(Öйú)Ψһ¹Ù·½ÍøÕ¾

CN / EN

  • b2banner.jpg b2bannerph.jpg
    b2banner1.svg

    ǧÒÚ¹ú¼ÊÑ­»·ÌáÈ¡ÍËÒÛµç³ØÖпÉÔÙʹÓõĽðÊô¡¢·Ç½ðÊôºÍÆäËû¸ß·Ö×ÓÖÊÁÏ×ÊÔ´£¬
    ÖÆ±¸ÄÜÁ¿Ãܶȸߡ¢Ñ­»·ÊÙÃü³¤¡¢ÐԼ۱ȸߡ¢¼Ó¹¤ÐÔÄÜºÃµÄµç³ØÖÊÁϲúÆ·¡£

ǧÒÚ¡¤¹ú¼Ê(Öйú)Ψһ¹Ù·½ÍøÕ¾ zhengjicailiao.svg

Õý¼«ÖÊÁÏ

  • ǧÒÚ¡¤¹ú¼Ê(Öйú)Ψһ¹Ù·½ÍøÕ¾ linsuantie-732.svg

    Á×ËáÌúï®

  • ǧÒÚ¡¤¹ú¼Ê(Öйú)Ψһ¹Ù·½ÍøÕ¾ niemengsuan-325.svg

    ÄøîÜÃÌËáï®

  • ǧÒÚ¡¤¹ú¼Ê(Öйú)Ψһ¹Ù·½ÍøÕ¾ suan-776.svg

    îÜËáï®

  • ǧÒÚ¡¤¹ú¼Ê(Öйú)Ψһ¹Ù·½ÍøÕ¾ fumengji.svg

    ¸»ï®ÃÌ»ù

  • ÔÙÉúÁ×ËáÌúï®

  • ¶þ´úÁ×ËáÌúï®

  • Èý´úÁ×ËáÌúï®

  • ÔÙÉúÁ×ËáÌúï®

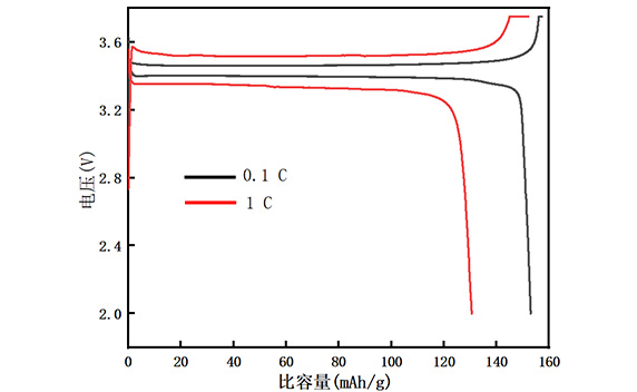
    ÔÙÉúÁ×ËáÌú﮾߱¸Öî¶àÓŵ㣬ÒѳÉΪĿ½ñÈÈÃŵÄï®µç³ØÕý¼«ÖÊÁϲúÆ·¡£ ǧÒÚ¹ú¼ÊÑ­»·½ÓÄɸßιÌÏà·¨¶Ô·ÅÆúÁ×ËáÌú﮾ÙÐÐÔÙÉú£¬Éú²úµÄÔÙÉúÁ×ËáÌú﮲úÆ·¾ß±¸¸ßѹʵ¡¢¸ßÈÝÁ¿¡¢Æ½Ì¨Îȹ̵ÈÌØµã¡£²úÆ·ÄÜÁ¿Ãܶȸߡ¢ÎȹÌÐÔÇ¿¡¢ÖÊÁϱ¾Ç®µÍ£¬Í¬Ê±¼«ºéÁ÷ƽÏìÓ¦Á˹ú¼ÒÇéÐα £»¤Õþ²ß¡ £½ÓÄÉÔÙÉú·Ï¾ÉÁ×ËáÌúﮣ¬ïÔÌ­µç³ØÎÛȾ¶ÔÇéÐÎÔì³ÉµÄΣº¦ £»ïÔÌ­·Ûĩ֯±¸Á÷³Ì£¬ÊµÏÖ×ÊÔ´½ÚÔ¼µÄͬʱ´´Á¢¸ü¸ß¾­¼Ã¼ÛÖµ¡£

    • ǧÒÚ¡¤¹ú¼Ê(Öйú)Ψһ¹Ù·½ÍøÕ¾ ¸ßѹʵ.svg

      ¸ßѹʵ

    • ǧÒÚ¡¤¹ú¼Ê(Öйú)Ψһ¹Ù·½ÍøÕ¾ ¸ßÈÝÁ¿.svg

      ¸ßÈÝÁ¿

    • ǧÒÚ¡¤¹ú¼Ê(Öйú)Ψһ¹Ù·½ÍøÕ¾ ƽ̨ÎȹÌ.svg

      ƽ̨ÎȹÌ

    • ǧÒÚ¡¤¹ú¼Ê(Öйú)Ψһ¹Ù·½ÍøÕ¾ ÖÊÁϱ¾Ç®µÍ.svg

      ÖÊÁϱ¾Ç®µÍ

    ǧÒÚ¡¤¹ú¼Ê(Öйú)Ψһ¹Ù·½ÍøÕ¾ 15-5000.jpg
    • 50000 x

    • ¡Ý2.35

      ѹʵÃܶÈ-3T £¨g/cm3£©

    • <60.0

      ·ÛÄ©µç×èÂÊ £¨¦¸?cm£©

    • 0.6-1.6

      Dv50 £¨¦Ìm£©

    • £¾157

      0.1CÊ×Ȧ³äµç¿ËÈÝÁ¿ £¨mAh/g£©

    • £¾150

      0.1CÊ×Ȧ·Åµç¿ËÈÝÁ¿ £¨mAh/g£©

    • £¾126

      1CÊ×Ȧ·Åµç¿ËÈÝÁ¿ £¨mAh/g£©

    ÊÖÒÕͼ±í

    • ǧÒÚ¡¤¹ú¼Ê(Öйú)Ψһ¹Ù·½ÍøÕ¾ 15-1.jpg
      ǧÒÚ¡¤¹ú¼Ê(Öйú)Ψһ¹Ù·½ÍøÕ¾

      ³ä·ÅµçÇúÏßͼ

    • ǧÒÚ¡¤¹ú¼Ê(Öйú)Ψһ¹Ù·½ÍøÕ¾ 15-2.jpg
      ǧÒÚ¡¤¹ú¼Ê(Öйú)Ψһ¹Ù·½ÍøÕ¾

      Á£¶ÈÂþÑÜͼ

  • ¶þ´úÁ×ËáÌúï®

    Á×ËáÌúï®ÊÇÄ¿½ñÈÈÃŵÄï®µç³ØÕý¼«ÖÊÁϲúÆ·¡£ ǧÒÚ¹ú¼ÊÑ­»·½ÓÄÉÁ×ÌúºÏ³ÉÁ×ËáÌú£¬²¢Î§ÈÆ¿ÅÁ£ÄÉÃ×»¯¡¢Ì¼°ü¸²ÓÅ»¯µÈÆ«Ïò¾ÙÐÐÁ¢ÒìÐÔÑз¢ÓëˢУ¬Éú²úµÄ¶þ´úÁ×ËáÌú﮲úÆ·¸ßѹʵ¡¢¸ßÈÝÁ¿¡¢Æ½Ì¨ÎȹÌ¡£±¾²úÆ·¾ß±¸¿ËÈÝÁ¿¸ß¡¢ÄÜÁ¿Ãܶȸߡ¢Çå¾²ÐÔÇ¿¡¢ÇéÐÎÓѺá¢ÖÊÁϱ¾Ç®µÍÁ®ÔÚÄÚµÄÖî¶àÓŵ㣬ÔÚÖª×ã¸ßÐøº½Àï³ÌµÄͬʱ»¹¿É¼æ¹Ë±¾Ç®¿ØÖÆÐèÇó¡£

    • ǧÒÚ¡¤¹ú¼Ê(Öйú)Ψһ¹Ù·½ÍøÕ¾ ¸ßѹʵ.svg

      ¿ËÈÝÁ¿¸ß

    • ǧÒÚ¡¤¹ú¼Ê(Öйú)Ψһ¹Ù·½ÍøÕ¾ ¸ßÈÝÁ¿.svg

      ÄÜÁ¿Ãܶȸß

    • ǧÒÚ¡¤¹ú¼Ê(Öйú)Ψһ¹Ù·½ÍøÕ¾ ƽ̨ÎȹÌ.svg

      Çå¾²ÐÔÇ¿

    • ǧÒÚ¡¤¹ú¼Ê(Öйú)Ψһ¹Ù·½ÍøÕ¾ ÇéÐÎÓѺÃ.svg

      ÇéÐÎÓѺÃ

    • ǧÒÚ¡¤¹ú¼Ê(Öйú)Ψһ¹Ù·½ÍøÕ¾ ÖÊÁϱ¾Ç®µÍ.svg

      ÖÊÁϱ¾Ç®µÍ

    ǧÒÚ¡¤¹ú¼Ê(Öйú)Ψһ¹Ù·½ÍøÕ¾ 16-50000.jpg
    ǧÒÚ¡¤¹ú¼Ê(Öйú)Ψһ¹Ù·½ÍøÕ¾ 16-20000.jpg
    • 50000 x

    • 20000 x

    • ¡Ý2.38

      ѹʵÃܶÈ-3T £¨g/cm3£©

    • <60.0

      ·ÛÄ©µç×èÂÊ £¨¦¸?cm£©

    • 0.7~1.7

      Dv50 £¨¦Ìm£©

    • £¾160

      0.1CÊ×Ȧ³äµç¿ËÈÝÁ¿ £¨mAh/g£©

    • £¾156

      0.1CÊ×Ȧ·Åµç¿ËÈÝÁ¿ £¨mAh/g£©

    • £¾138

      1CÊ×Ȧ·Åµç¿ËÈÝÁ¿ £¨mAh/g£©

    ÊÖÒÕͼ±í

    • ǧÒÚ¡¤¹ú¼Ê(Öйú)Ψһ¹Ù·½ÍøÕ¾ 16-1.jpg
      ǧÒÚ¡¤¹ú¼Ê(Öйú)Ψһ¹Ù·½ÍøÕ¾

      ³ä·ÅµçÇúÏßͼ

    • ǧÒÚ¡¤¹ú¼Ê(Öйú)Ψһ¹Ù·½ÍøÕ¾ 16-2.jpg
      ǧÒÚ¡¤¹ú¼Ê(Öйú)Ψһ¹Ù·½ÍøÕ¾

      Á£¶Èͼ

  • Èý´úÁ×ËáÌúï®

    Á×ËáÌúï®ÊÇÄ¿½ñÈÈÃŵÄï®µç³ØÕý¼«ÖÊÁϲúÆ·¡£ ǧÒÚ¹ú¼ÊÑ­»·½ÓÄÉʪ·¨ºÏ³ÉÁ×ËáÌú£¬²¢½øÒ»²½Í¨¹ý̼°ü¸²¡¢ÔªËزôÔÓ¡¢¿ÅÁ£³ß´çÓÅ»¯µÈ·½·¨ºÏ³ÉÈý´úÁ×ËáÌúﮡ£±¾²úÆ·¾ßÓиßѹʵ¡¢¸ßÇå¾²ÐÔ¡¢¸ßÎȹÌÐÔµÄµä·¶ÌØÕ÷£¬¾ß±¸Ñ­»·ÊÙÃü³¤¡¢Çå¾²ÐԸߡ¢ÂÌÉ«»·±£¡¢ÖÊÁÏȪԴÆÕ±éÇÒ±¾Ç®µÍÁ®ÔÚÄڵĶàÖØÓÅÊÆ¡£

    • ǧÒÚ¡¤¹ú¼Ê(Öйú)Ψһ¹Ù·½ÍøÕ¾ b2icon01.svg

      Ñ­»·ÊÙÃü³¤

    • ǧÒÚ¡¤¹ú¼Ê(Öйú)Ψһ¹Ù·½ÍøÕ¾ Çå¾²ÐÔÇ¿.svg

      Çå¾²ÐÔ¸ß

    • ǧÒÚ¡¤¹ú¼Ê(Öйú)Ψһ¹Ù·½ÍøÕ¾ ÂÌÉ«»·±£.svg

      ÂÌÉ«»·±£

    • ǧÒÚ¡¤¹ú¼Ê(Öйú)Ψһ¹Ù·½ÍøÕ¾ ÖÊÁÏȪԴÆÕ±é.svg

      ÖÊÁÏȪԴÆÕ±é

    ǧÒÚ¡¤¹ú¼Ê(Öйú)Ψһ¹Ù·½ÍøÕ¾ 17-50000.jpg
    ǧÒÚ¡¤¹ú¼Ê(Öйú)Ψһ¹Ù·½ÍøÕ¾ 17-20000.jpg
    ǧÒÚ¡¤¹ú¼Ê(Öйú)Ψһ¹Ù·½ÍøÕ¾ 17-10000.jpg
    • 50000 x

    • 20000 x

    • 10000 x

    • ¡Ý2.48

      ѹʵÃܶÈ-3T £¨g/cm3£©

    • <60.0

      ·ÛÄ©µç×èÂÊ £¨¦¸?cm£©

    • 0.7~1.7

      Dv50 £¨¦Ìm£©

    • 159.0~165.0

      0.1CÊ×Ȧ³äµç¿ËÈÝÁ¿ £¨mAh/g£©

    • 155.0~161.0

      0.1CÊ×Ȧ·Åµç¿ËÈÝÁ¿ £¨mAh/g£©

    • £¾128

      1CÊ×Ȧ·Åµç¿ËÈÝÁ¿ £¨mAh/g£©

    ÊÖÒÕͼ±í

    • ǧÒÚ¡¤¹ú¼Ê(Öйú)Ψһ¹Ù·½ÍøÕ¾ 17-1.jpg
      ǧÒÚ¡¤¹ú¼Ê(Öйú)Ψһ¹Ù·½ÍøÕ¾

      ³ä·ÅµçÈÝÁ¿

    • ǧÒÚ¡¤¹ú¼Ê(Öйú)Ψһ¹Ù·½ÍøÕ¾ 17-2.jpg
      ǧÒÚ¡¤¹ú¼Ê(Öйú)Ψһ¹Ù·½ÍøÕ¾

      Á£¶Èͼ

  • LL5503

  • LL5525

  • LL6007

  • LL6510

  • LL8203

  • LL8313

  • LL9203

  • LL9403

  • LL5503

    LL5503Ó¦ÓÃÓÚ4.35Vµçѹ£¬ÊÇ×îÔçÓ¦ÓÃÓÚ³µÓö¯Á¦µç³Ø³¡¾°µÄï®Àë×Óµç³ØÒªº¦Õý¼«ÖÊÁÏÖ®Ò»¡£LL5503Ñ­»·ÊÙÃü³¤¡¢ÄÜÁ¿Ãܶȸߡ¢Çå¾²ÐÔÇ¿¡¢¸ßµçѹ¡¢ÈÈÎȹÌÐÔÇ¿¡¢ÐԼ۱ȸß¡£ÊÇǧÒÚ¹ú¼ÊÑ­»·ÔÚµÚÒ»´úµÍîÜÖÊÁÏ»ù´¡ÉÏ£¬½øÒ»²½¿ØÖÆîܺ¬Á¿¿ª´´µÄµÚ¶þ´úµÍîܵ¥¾§ÖÊÁϲúÆ·£¬ÏÔ׎µµÍÖÊÁϱ¾Ç®£¬²¢ÔÚÈ«ÐÐÒµÂÊÏÈʵÏÖÁ¿²ú£¬³ÉΪ¡°µÍîÜÖÊÁÏÐÔ¼Û±ÈÖ®Íõ¡±£¬ÏÖ±»ÆÕ±éÓ¦ÓÃÓÚ¶¯Á¦½»Í¨ÁìÓò¡£

    • ǧÒÚ¡¤¹ú¼Ê(Öйú)Ψһ¹Ù·½ÍøÕ¾ b2_icon01.svg

      Ñ­»·ÊÙÃü³¤

    • ǧÒÚ¡¤¹ú¼Ê(Öйú)Ψһ¹Ù·½ÍøÕ¾ ÄÜÁ¿Ãܶȸß.svg

      ÄÜÁ¿Ãܶȸß

    • ǧÒÚ¡¤¹ú¼Ê(Öйú)Ψһ¹Ù·½ÍøÕ¾ Çå¾²ÐÔÇ¿.svg

      Çå¾²ÐÔÇ¿

    • ǧÒÚ¡¤¹ú¼Ê(Öйú)Ψһ¹Ù·½ÍøÕ¾ ¸ßµçѹ-2.svg

      ¸ßµçѹ

    • ǧÒÚ¡¤¹ú¼Ê(Öйú)Ψһ¹Ù·½ÍøÕ¾ ÈÈÎȹÌÐÔÇ¿.svg

      ÈÈÎȹÌÐÔÇ¿

    • ǧÒÚ¡¤¹ú¼Ê(Öйú)Ψһ¹Ù·½ÍøÕ¾ ÐԼ۱ȸß.svg

      ÐԼ۱ȸß

    ǧÒÚ¡¤¹ú¼Ê(Öйú)Ψһ¹Ù·½ÍøÕ¾ 18-10000.jpg
    • 10000 x

    • 3.60£­4.60

      D50£¨¦Ìm£©

    • 0.50£­0.78

      BET£¨m2/g£©

    • 32.70£­33.90

      Ni£¨wt%£©

    • 6.80£­8.00

      Co£¨wt%£©

    • 17.90£­19.10

      Mn£¨wt%£©

    • 177.0£­182.0

      Ê״ηŵç±ÈÈÝÁ¿£¨mAh/g£©£¨2.8£­4.35 V£¬0.1C£©

    ÊÖÒÕͼ±í

    • ǧÒÚ¡¤¹ú¼Ê(Öйú)Ψһ¹Ù·½ÍøÕ¾ 18-1.jpg
      ǧÒÚ¡¤¹ú¼Ê(Öйú)Ψһ¹Ù·½ÍøÕ¾

      ³ä·ÅµçÇúÏßͼ

    • ǧÒÚ¡¤¹ú¼Ê(Öйú)Ψһ¹Ù·½ÍøÕ¾ 18-2.jpg
      ǧÒÚ¡¤¹ú¼Ê(Öйú)Ψһ¹Ù·½ÍøÕ¾

      Á£¶ÈÂþÑÜͼ

    • ǧÒÚ¡¤¹ú¼Ê(Öйú)Ψһ¹Ù·½ÍøÕ¾ 18-3.jpg
      ǧÒÚ¡¤¹ú¼Ê(Öйú)Ψһ¹Ù·½ÍøÕ¾

      Ñ­»·ÐÔÄÜͼ

  • LL5525

    LL5525ÊÇÔÚǧÒÚ¹ú¼Ê¼«ÖµÍîܵÚÈý´úµÍîܵ¥¾§LL5515ÖÊÁÏ»ù´¡ÉϵÄÓÖÒ»Á¢Òì²úÆ·£¬Ç㸲ÐÔ½â¾öÁ˵ĵÍîÜϵͳϵÄDCRÎÊÌ⣬½ÏÉÏÒ»´úÖÊÁÏDCRÓëÑ­»·ÐÔÄܾùÓÐÏÔ×ÅÌáÉý£¬¿ÉÓ¦ÓÃÓÚ4.35V/4.4VÊÂÇéµçѹÏ¡£¸Ã²úÆ·¾ß±¸Ñ­»·ÊÙÃü³¤¡¢¸ßÄÜÁ¿Ãܶȡ¢¸ßÇå¾²ÐÔ¡¢¸ßµçѹ¡¢ÈÈÎȹÌÐÔÇ¿¡¢¸ßÐԼ۱Ȼ·±£µÈά¶Èµä·¶ÓÅÊÆ¡£Ä¿½ñ£¬¸ÃÏî²úÆ·Òѱ»ÆÕ±éÓ¦ÓÃÓÚ¶¯Á¦½»Í¨ÁìÓò£¬ÊÇÖÆ×÷ÐÂÄÜÔ´Æû³µµç³Ø°üµÄÖ÷ÒªÖÊÁÏ¡£

    • ǧÒÚ¡¤¹ú¼Ê(Öйú)Ψһ¹Ù·½ÍøÕ¾ b2_icon01.svg

      Ñ­»·ÊÙÃü³¤

    • ǧÒÚ¡¤¹ú¼Ê(Öйú)Ψһ¹Ù·½ÍøÕ¾ ÄÜÁ¿Ãܶȸß.svg

      ÄÜÁ¿Ãܶȸß

    • ǧÒÚ¡¤¹ú¼Ê(Öйú)Ψһ¹Ù·½ÍøÕ¾ Çå¾²ÐÔÇ¿.svg

      Çå¾²ÐÔÇ¿

    • ǧÒÚ¡¤¹ú¼Ê(Öйú)Ψһ¹Ù·½ÍøÕ¾ ¸ßµçѹ-2.svg

      ¸ßµçѹ

    • ǧÒÚ¡¤¹ú¼Ê(Öйú)Ψһ¹Ù·½ÍøÕ¾ ÈÈÎȹÌÐÔÇ¿.svg

      ÈÈÎȹÌÐÔÇ¿

    • ǧÒÚ¡¤¹ú¼Ê(Öйú)Ψһ¹Ù·½ÍøÕ¾ ÐԼ۱ȸß.svg

      ÐԼ۱ȸß

    ǧÒÚ¡¤¹ú¼Ê(Öйú)Ψһ¹Ù·½ÍøÕ¾ LL5525.jpg
    • 10000 x

    • 3.80£­4.60

      D50£¨¦Ìm£©

    • 0.68£­0.92

      BET£¨m2/g£©

    • 32.80£­34.20

      Ni£¨wt%£©

    • 3.35£­4.05

      Co£¨wt%£©

    • 21.00£­22.50

      Mn£¨wt%£©

    • 183.0£­189.0

      Ê״ηŵç±ÈÈÝÁ¿£¨mAh/g£©£¨2.8£­4.5 V£¬0.1C£©

    ÊÖÒÕͼ±í

    • ǧÒÚ¡¤¹ú¼Ê(Öйú)Ψһ¹Ù·½ÍøÕ¾ LL5525-3.png
      ǧÒÚ¡¤¹ú¼Ê(Öйú)Ψһ¹Ù·½ÍøÕ¾

      ³ä·ÅµçÇúÏßͼ

    • ǧÒÚ¡¤¹ú¼Ê(Öйú)Ψһ¹Ù·½ÍøÕ¾ ll5525-2.png
      ǧÒÚ¡¤¹ú¼Ê(Öйú)Ψһ¹Ù·½ÍøÕ¾

      Á£¶ÈÂþÑÜͼ

    • ǧÒÚ¡¤¹ú¼Ê(Öйú)Ψһ¹Ù·½ÍøÕ¾ LL5525-1.png
      ǧÒÚ¡¤¹ú¼Ê(Öйú)Ψһ¹Ù·½ÍøÕ¾

      Ñ­»·ÐÔÄÜͼ

  • LL6007

    LL6007Ó¦ÓÃÓÚ4.4Vµçѹ£¬ÊÇÔÚ4.35V¸ßµçѹÈýÔªÕý¼«ÖÊÁÏ»ù´¡ÉϵĽøÒ»²½Éý¼¶¡£Ç§ÒÚ¹ú¼ÊÑ­»·Í¨¹ýÌØÊâ²ôÔÓ¹¤ÒÕ£¬ÀÖ³ÉʵÏÖÁ˸ߵçѹÏÂÖÊÁϽṹÎȹÌ¡£LL6007Ñ­»·ÊÙÃü³¤¡¢ÄÜÁ¿Ãܶȸߡ¢Çå¾²ÐԺᢸߵçѹ¡¢ÈÈÎȹÌÐÔÇ¿¡¢ÐԼ۱ȸߣ¬ÏÖÒÑÆÕ±éÓ¦ÓÃÓÚ¶¯Á¦½»Í¨ÁìÓò£¬ÊÇÖÆ×÷ÐÂÄÜÔ´Æû³µµç³ØµÄÖ÷ÒªÖÊÁÏ¡£

    • ǧÒÚ¡¤¹ú¼Ê(Öйú)Ψһ¹Ù·½ÍøÕ¾ b2_icon01.svg

      Ñ­»·ÊÙÃü³¤

    • ǧÒÚ¡¤¹ú¼Ê(Öйú)Ψһ¹Ù·½ÍøÕ¾ ÄÜÁ¿Ãܶȸß.svg

      ÄÜÁ¿Ãܶȸß

    • ǧÒÚ¡¤¹ú¼Ê(Öйú)Ψһ¹Ù·½ÍøÕ¾ Çå¾²ÐÔÇ¿.svg

      Çå¾²ÐÔÇ¿

    • ǧÒÚ¡¤¹ú¼Ê(Öйú)Ψһ¹Ù·½ÍøÕ¾ ¸ßµçѹ-2.svg

      ¸ßµçѹ

    • ǧÒÚ¡¤¹ú¼Ê(Öйú)Ψһ¹Ù·½ÍøÕ¾ ÈÈÎȹÌÐÔÇ¿.svg

      ÈÈÎȹÌÐÔÇ¿

    • ǧÒÚ¡¤¹ú¼Ê(Öйú)Ψһ¹Ù·½ÍøÕ¾ ÐԼ۱ȸß.svg

      ÐԼ۱ȸß

    ǧÒÚ¡¤¹ú¼Ê(Öйú)Ψһ¹Ù·½ÍøÕ¾ 19-10000.jpg
    • 10000 x

    • 3.50£­4.50

      D50£¨¦Ìm£©

    • 0.62£­0.81

      BET£¨m2/g£©

    • 35.00£­38.40

      Ni£¨wt%£©

    • 2.75£­3.30

      Co£¨wt%£©

    • 18.30£­20.70

      Mn£¨wt%£©

    • 193.5-196.5

      Ê״ηŵç±ÈÈÝÁ¿£¨mAh/g£©£¨2.8£­4.45 V£¬0.1C£©

    ÊÖÒÕͼ±í

    • ǧÒÚ¡¤¹ú¼Ê(Öйú)Ψһ¹Ù·½ÍøÕ¾ 19-1.jpg
      ǧÒÚ¡¤¹ú¼Ê(Öйú)Ψһ¹Ù·½ÍøÕ¾

      ³ä·ÅµçÇúÏßͼ

    • ǧÒÚ¡¤¹ú¼Ê(Öйú)Ψһ¹Ù·½ÍøÕ¾ 19-2.jpg
      ǧÒÚ¡¤¹ú¼Ê(Öйú)Ψһ¹Ù·½ÍøÕ¾

      Á£¶ÈÂþÑÜͼ

    • ǧÒÚ¡¤¹ú¼Ê(Öйú)Ψһ¹Ù·½ÍøÕ¾ 19-3.jpg
      ǧÒÚ¡¤¹ú¼Ê(Öйú)Ψһ¹Ù·½ÍøÕ¾

      Ñ­»·ÐÔÄÜͼ

  • LL6510

    LL6510ÊÇÒ»¿î4.35V¸ßµçѹÈýÔªÕý¼«ÖÊÁÏ£¬½ÓÄÉ̼Ëá﮹¤ÒÕ¡£²úÆ·Á¢ÒìÐÔ½ÓÄÉÒÔï®ÑÎÔ­ÖÊÁϼÛÇ®²¨¶¯Îª²Î¿¼µÄ¹¤ÒÕÎÞаÇл»Ä£Ê½£¬Í¨¹ýÁìÏȹ¤ÒÕºÍģʽÁ¢ÒìÊè½âÔ­ÖÊÁÏÊг¡¼ÛÇ®²¨¶¯Î£º¦¡£ LL6510Ñ­»·ÊÙÃü³¤¡¢ÄÜÁ¿Ãܶȸߡ¢Çå¾²ÐÔÇ¿¡¢¸ßµçѹ¡¢ÈÈÎȹÌÐÔÇ¿¡¢ÐԼ۱ȸߡ¢ÇéÐÎÓѺã¬Òѱ»ÆÕ±éÓ¦ÓÃÓÚ¶¯Á¦½»Í¨ÁìÓò£¬ÊÇÖÆ×÷ÐÂÄÜÔ´Æû³µµç³ØµÄÖ÷ÒªÖÊÁÏ¡£

    • ǧÒÚ¡¤¹ú¼Ê(Öйú)Ψһ¹Ù·½ÍøÕ¾ b2_icon01.svg

      Ñ­»·ÊÙÃü³¤

    • ǧÒÚ¡¤¹ú¼Ê(Öйú)Ψһ¹Ù·½ÍøÕ¾ b2_icon02.svg

      ÄÜÁ¿Ãܶȸß

    • ǧÒÚ¡¤¹ú¼Ê(Öйú)Ψһ¹Ù·½ÍøÕ¾ Çå¾²ÐÔÇ¿.svg

      Çå¾²ÐÔÇ¿

    • ǧÒÚ¡¤¹ú¼Ê(Öйú)Ψһ¹Ù·½ÍøÕ¾ ¸ßµçѹ-2.svg

      ¸ßµçѹ

    • ǧÒÚ¡¤¹ú¼Ê(Öйú)Ψһ¹Ù·½ÍøÕ¾ ÈÈÎȹÌÐÔÇ¿.svg

      ÈÈÎȹÌÐÔÇ¿

    • ǧÒÚ¡¤¹ú¼Ê(Öйú)Ψһ¹Ù·½ÍøÕ¾ ÐԼ۱ȸß.svg

      ÐԼ۱ȸß

    ǧÒÚ¡¤¹ú¼Ê(Öйú)Ψһ¹Ù·½ÍøÕ¾ 20-10000.jpg
    • 10000 x

    • 3.40£­4.10

      D50£¨¦Ìm£©

    • 0.83£­1.12

      BET£¨m2/g£©

    • 37.65£­40.80

      Ni£¨wt%£©

    • 3.80-4.60

      Co£¨wt%£©

    • 14.8-16.4

      Mn£¨wt%£©

    • 188.0-193.0

      Ê״ηŵç±ÈÈÝÁ¿£¨mAh/g£©£¨2.8£­4.35 V£¬0.1C£©

    ÊÖÒÕͼ±í

    • ǧÒÚ¡¤¹ú¼Ê(Öйú)Ψһ¹Ù·½ÍøÕ¾ 20-1.jpg
      ǧÒÚ¡¤¹ú¼Ê(Öйú)Ψһ¹Ù·½ÍøÕ¾

      ³ä·Åµçͼ

    • ǧÒÚ¡¤¹ú¼Ê(Öйú)Ψһ¹Ù·½ÍøÕ¾ 20-2.jpg
      ǧÒÚ¡¤¹ú¼Ê(Öйú)Ψһ¹Ù·½ÍøÕ¾

      Á£¶Èͼ

    • ǧÒÚ¡¤¹ú¼Ê(Öйú)Ψһ¹Ù·½ÍøÕ¾ 20-3.jpg
      ǧÒÚ¡¤¹ú¼Ê(Öйú)Ψһ¹Ù·½ÍøÕ¾

      Ñ­»·ÐÔÄÜͼ

  • LL8203

    LL8203Êǵڶþ´ú8ϵ¶à¾§ÖÊÁÏ£¬½ÓÄɶþÉÕ¹¤ÒÕ£¬²¢Á¢ÒìÐÔʹÓ󬳤Ҥ¯¹¤ÒÕ£¬Íƶ¯³¬³¤Ò¤Â¯ÊÖÒÕʵÏÖÐÐÒµÍ»ÆÆ£¬ÒýÁìÐÐÒµÉú²ú¹¤ÒÕÁ¢ÒìÐÔÀå¸ï¡£ LL8203ÊÇÒ»¿î¾ßÓг¬¸ßÄÜÁ¿Ãܶȡ¢³¬¸ßÑ­»·ÎȹÌÐÔµÄÕý¼«ÖÊÁÏ£¬Çå¾²ÐÔÇкϸ÷Ïî±ê×¼£¬ÏÖÔÚÖ÷ÒªÓ¦ÓÃÓÚ³¤Ðøº½ÐÂÄÜÔ´Æû³µ½»Í¨¶¯Á¦ÁìÓò£¬¹©Ó¦CATLµÈ¸ß¶Ëµç³Ø³§ÉÌ¡£

    • ǧÒÚ¡¤¹ú¼Ê(Öйú)Ψһ¹Ù·½ÍøÕ¾ ÄÜÁ¿Ãܶȸß.svg

      ³¬¸ßÄÜÁ¿ÃܶÈ

    • ǧÒÚ¡¤¹ú¼Ê(Öйú)Ψһ¹Ù·½ÍøÕ¾ ³¬¸ßÑ­»·ÎȹÌÐÔ.svg

      ³¬¸ßÑ­»·ÎȹÌÐÔ

    • ǧÒÚ¡¤¹ú¼Ê(Öйú)Ψһ¹Ù·½ÍøÕ¾ Çå¾²ÐÔÇ¿.svg

      Çå¾²ÐÔÇ¿

    ǧÒÚ¡¤¹ú¼Ê(Öйú)Ψһ¹Ù·½ÍøÕ¾ 21-10000.jpg
    • 10000 x

    • 9.00-10.50

      D50£¨ ¦Ìm£©

    • 0.35-0.65

      BET£¨m2/g£©

    • 47.90-49.50

      Ni £¨wt%£©

    • 6.60-7.40

      Co £¨wt%£©

    • 2.95-3.58

      Mn£¨wt%£©

    • 206.0-211.0

      Ê״ηŵç±ÈÈÝÁ¿£¨mAh/g£©£¨2.8-4.25V£¬0.1C£©

    ÊÖÒÕͼ±í

    • ǧÒÚ¡¤¹ú¼Ê(Öйú)Ψһ¹Ù·½ÍøÕ¾ 21-1.jpg
      ǧÒÚ¡¤¹ú¼Ê(Öйú)Ψһ¹Ù·½ÍøÕ¾

    • ǧÒÚ¡¤¹ú¼Ê(Öйú)Ψһ¹Ù·½ÍøÕ¾ 21-2.jpg
      ǧÒÚ¡¤¹ú¼Ê(Öйú)Ψһ¹Ù·½ÍøÕ¾

    • ǧÒÚ¡¤¹ú¼Ê(Öйú)Ψһ¹Ù·½ÍøÕ¾ 21-3.jpg
      ǧÒÚ¡¤¹ú¼Ê(Öйú)Ψһ¹Ù·½ÍøÕ¾

  • LL8313

    LL8313ÊÇÒ»¿î¼«ÖÂÐÔ¼Û±ÈÈýÔªÕý¼«ÖÊÁÏ¡£Í¨¹ý¶ÔÖ¤ÁÏÖÐîܺ¬Á¿µÄϸÃÜ¿ØÖƺͽµµÍ£¬¼«ºéÁ÷ƽïÔÌ­ÁËÖÊÁÏÉú²ú±¾Ç®£¬Îª¿Í»§±¾Ç®¿ØÖÆÒ»Á¬¸³ÄÜ¡£ LL8313ÊÇÒ»¿î¾ßÓг¬¸ßÄÜÁ¿Ãܶȡ¢Ñ¹ÊµÃܶȺÍÑ­»·ÎȹÌÐÔµÄÕý¼«ÖÊÁÏ£¬Çå¾²ÐÔÇкϱê×¼¡£ÏÖÔÚÖ÷ÒªÓ¦ÓÃÓÚ³¤Ðøº½ÐÂÄÜÔ´Æû³µ½»Í¨¶¯Á¦ÁìÓò¡£

    • ǧÒÚ¡¤¹ú¼Ê(Öйú)Ψһ¹Ù·½ÍøÕ¾ ÐԼ۱ȸß.svg

      ¼«ÖÂÐÔ¼Û±È

    • ǧÒÚ¡¤¹ú¼Ê(Öйú)Ψһ¹Ù·½ÍøÕ¾ ÄÜÁ¿Ãܶȸß.svg

      ³¬¸ßÄÜÁ¿ÃܶÈ

    • ǧÒÚ¡¤¹ú¼Ê(Öйú)Ψһ¹Ù·½ÍøÕ¾ Ñ­»·.svg

      ³¬¸ßѹʵÃܶÈ

    • ǧÒÚ¡¤¹ú¼Ê(Öйú)Ψһ¹Ù·½ÍøÕ¾ ³¬¸ßÑ­»·ÎȹÌÐÔ.svg

      ³¬¸ßÑ­»·ÎȹÌÐÔ

    ǧÒÚ¡¤¹ú¼Ê(Öйú)Ψһ¹Ù·½ÍøÕ¾ 22-10000.jpg
    • 10000 x

    • 9.05-11.70

      D50£¨ ¦Ìm£©

    • 0.37-0.67

      BET£¨m2/g£©

    • 48.1-50.50

      Ni £¨wt%£©

    • 3.15-3.95

      Co £¨wt%£©

    • 5.40-6.30

      Mn£¨wt%£©

    • 205.3-209.8

      Ê״ηŵç±ÈÈÝÁ¿£¨mAh/g£©£¨2.8-4.25V£¬0.1C£©

    ÊÖÒÕͼ±í

    • ǧÒÚ¡¤¹ú¼Ê(Öйú)Ψһ¹Ù·½ÍøÕ¾ 22-1.jpg
      ǧÒÚ¡¤¹ú¼Ê(Öйú)Ψһ¹Ù·½ÍøÕ¾

      ³ä·Åµçͼ

    • ǧÒÚ¡¤¹ú¼Ê(Öйú)Ψһ¹Ù·½ÍøÕ¾ 22-2.jpg
      ǧÒÚ¡¤¹ú¼Ê(Öйú)Ψһ¹Ù·½ÍøÕ¾

      Á£¶Èͼ

    • ǧÒÚ¡¤¹ú¼Ê(Öйú)Ψһ¹Ù·½ÍøÕ¾ 22-3.jpg
      ǧÒÚ¡¤¹ú¼Ê(Öйú)Ψһ¹Ù·½ÍøÕ¾

      Ñ­»·Í¼

  • LL9203

    LL9203ÊÇÒ»¿î³¬¸ßÄø¶à¾§ÈýÔªÕý¼«ÖÊÁϲúÆ·¡£Àú¾­¶àÄêÑз¢£¬ÓµÓг¬¸ßÄÜÁ¿ÃܶÈ£¬¸ßÎÂÑ­»·³¬1200ÖÜ¡£ ±¾²úƷͨ¹ý°ü¸²ºÍ»Ø»ðÊֶξ«×¼¿ØÖÆÍâò²Ð¼îͬʱÐγÉÎȹ̽çÃæ£¬ÊµÏÖ¸ßÈÝÁ¿µÄͬʱ°ü¹ÜÁËÑ­»·¡¢´æ´¢ºÍ²úÆøÐÔÄÜ¡£¸üͨ¹ýÁ£¶ÈÂþÑÜÓÅ»¯£¬ÔÚ8ϵ»ù´¡ÉϽøÒ»²½ÌáÉýÖÊÁÏѹʵÃܶÈ£¬²úÆ·ÖÊÁ¿ÄÜÁ¿ÃܶȺÍÌå»ýÄÜÁ¿Ãܶȶ¼ÓÐÏÔ×ÅÌáÉý¡£ÏÖÔÚÖ÷ÒªÓÃÓڸ߶˻ò³¤Ðøº½ÐÂÄÜÔ´³µÐÍÖС£

    • ǧÒÚ¡¤¹ú¼Ê(Öйú)Ψһ¹Ù·½ÍøÕ¾ b2_icon02.svg

      ³¬¸ßÄÜÁ¿ÃܶÈ

    • ǧÒÚ¡¤¹ú¼Ê(Öйú)Ψһ¹Ù·½ÍøÕ¾ ¸ßÎÂÑ­»·³¬1200ÖÜ.svg

      ¸ßÎÂÑ­»·³¬1200ÖÜ

    ǧÒÚ¡¤¹ú¼Ê(Öйú)Ψһ¹Ù·½ÍøÕ¾ 23-10000.jpg
    • 10000 x

    • 9.0£­11.0

      D50£¨¦Ìm£©

    • 0.20-0.40

      BET£¨m2/g£©

    • 53.0-54.3

      Ni£¨wt%£©

    • 3.85-4.65

      Co£¨wt%£©

    • 0.55-1.10

      Mn£¨wt%£©

    • ¡Ý227.0

      Ê״ηŵç±ÈÈÝÁ¿£¨mAh/g£©£¨2.8£­4.3V£¬0.1C£©

    ÊÖÒÕͼ±í

    • ǧÒÚ¡¤¹ú¼Ê(Öйú)Ψһ¹Ù·½ÍøÕ¾ 23-1.jpg
      ǧÒÚ¡¤¹ú¼Ê(Öйú)Ψһ¹Ù·½ÍøÕ¾

      ³ä·ÅµçÇúÏßͼ

    • ǧÒÚ¡¤¹ú¼Ê(Öйú)Ψһ¹Ù·½ÍøÕ¾ 23-2.jpg
      ǧÒÚ¡¤¹ú¼Ê(Öйú)Ψһ¹Ù·½ÍøÕ¾

      Á£¶Èͼ

    • ǧÒÚ¡¤¹ú¼Ê(Öйú)Ψһ¹Ù·½ÍøÕ¾ 23-3.jpg
      ǧÒÚ¡¤¹ú¼Ê(Öйú)Ψһ¹Ù·½ÍøÕ¾

      Ñ­»·ÇúÏßͼ

  • LL9403

    LL9403ÊÇÒ»¿î³¬¸ßÄø¶à¾§ÈýÔªÕý¼«ÖÊÁÏ¡£ ͨ¹ý¸ßìØ²ôÔÓ±¬·¢Ç¿¶¤ÔúЧӦÓÅ»¯ÖÊÁϽṹÎȹÌÐÔ£¬Í¨¹ýÍâòԭλºÏ³É¸ßÀë×ӵ絼Âʵç½âÖÊÓÅ»¯ÖÊÁϽçÃæÎȹÌÐÔ£¬Í¨¹ýµÍËðÉËˮϴȥ³ýÍâòʣÓàﮣ¬°ü¹ÜÖÊÁϽṹ²»±»ÆÆËðµÄÌõ¼þϽøÒ»²½µçоÇå¾²ÐԺͽçÃæÎȹÌÐÔ¡£Ç§ÒÚ¹ú¼ÊÑ­»·Á¢ÒìÉú²ú¹¤ÒÕ£¬Ê¹µÃLL9403µÄÖÊÁ¿ºÍÌå»ýÄÜÁ¿ÃܶÈÒÔ¼°²úÆøÐÔÄÜÌåÏÖÍ»³öµÄͬʱ£¬Ñ­»·¡¢´æ´¢ÐÔÒ²ÄÜÒ»Á¬¼á³ÖÓÅÒì¡£±¾²úÆ·ÏÖÔÚÖ÷ÒªÓÃÓڸ߶˻ò³¤Ðøº½ÐÂÄÜÔ´³µÐÍÖС£

    • ǧÒÚ¡¤¹ú¼Ê(Öйú)Ψһ¹Ù·½ÍøÕ¾ ÄÜÁ¿Ãܶȸß.svg

      ÄÜÁ¿ÃܶÈÓÅÒì

    • ǧÒÚ¡¤¹ú¼Ê(Öйú)Ψһ¹Ù·½ÍøÕ¾ ³¬¸ßÑ­»·ÎȹÌÐÔ.svg

      ²úÆøÐÔÄÜÍ»³ö

    • ǧÒÚ¡¤¹ú¼Ê(Öйú)Ψһ¹Ù·½ÍøÕ¾ ´æ´¢ÐÔÒ²ÄÜÒ»Á¬¼á³ÖÓÅÒì.svg

      ´æ´¢ÐÔÄÜÓÅÒì

    • ǧÒÚ¡¤¹ú¼Ê(Öйú)Ψһ¹Ù·½ÍøÕ¾ Ñ­»·ÐÔÄÜ£¨ÓÅÒ죩.svg

      Ñ­»·ÐÔÄÜÓÅÒì

    ǧÒÚ¡¤¹ú¼Ê(Öйú)Ψһ¹Ù·½ÍøÕ¾ 24-10000.jpg
    • 10000 x

    • ¡Ý3.6

      D50£¨¦Ìm£©

    • 0.40-0.65

      BET£¨m2/g£©

    • 54.2-55.8

      Ni£¨wt%£©

    • 3.0-3.5

      Co£¨wt%£©

    • 0.4-0.8

      Mn£¨wt%£©

    • ¡Ý228.3

      Ê״ηŵç±ÈÈÝÁ¿£¨mAh/g£©£¨2.8£­4.3V£¬0.1C£©

    ÊÖÒÕͼ±í

    • ǧÒÚ¡¤¹ú¼Ê(Öйú)Ψһ¹Ù·½ÍøÕ¾ 24-1.jpg
      ǧÒÚ¡¤¹ú¼Ê(Öйú)Ψһ¹Ù·½ÍøÕ¾

      ³ä·ÅµçÇúÏßͼ

    • ǧÒÚ¡¤¹ú¼Ê(Öйú)Ψһ¹Ù·½ÍøÕ¾ 24-2.jpg
      ǧÒÚ¡¤¹ú¼Ê(Öйú)Ψһ¹Ù·½ÍøÕ¾

      Á£¶Èͼ

    • ǧÒÚ¡¤¹ú¼Ê(Öйú)Ψһ¹Ù·½ÍøÕ¾ 24-3.jpg
      ǧÒÚ¡¤¹ú¼Ê(Öйú)Ψһ¹Ù·½ÍøÕ¾

      Ñ­»·ÇúÏßͼ

  • HC4801

  • HC5001

  • HC4801

    HC4801ÊÇǧÒÚ¹ú¼ÊÑ­»·×ÔÖ÷Ñз¢µÄîÜËáï®Õý¼«ÖÊÁϲúÆ·£¬¾ß±¸¸ßÈÝÁ¿¡¢¸ßѹʵÃÜ¶ÈµÄµä·¶ÌØÕ÷£¬¸ßÄÜÁ¿Ãܶȡ¢¸ßµçѹµÄÏÔ×ÅÓÅÊÆ£¬ÏÖÆÕ±éÓ¦ÓÃÓÚ3CÁìÓò¡£

    • ǧÒÚ¡¤¹ú¼Ê(Öйú)Ψһ¹Ù·½ÍøÕ¾ ¸ßÈÝÁ¿.svg

      ¸ßÈÝÁ¿

    • ǧÒÚ¡¤¹ú¼Ê(Öйú)Ψһ¹Ù·½ÍøÕ¾ ¸ßÕñʵÃܶÈ.svg

      ¸ßѹʵÃܶÈ

    • ǧÒÚ¡¤¹ú¼Ê(Öйú)Ψһ¹Ù·½ÍøÕ¾ ÄÜÁ¿Ãܶȸß.svg

      ¸ßÄÜÁ¿ÃܶÈ

    • ǧÒÚ¡¤¹ú¼Ê(Öйú)Ψһ¹Ù·½ÍøÕ¾ ¸ßµçѹ-2.svg

      ¸ßµçѹ

    ǧÒÚ¡¤¹ú¼Ê(Öйú)Ψһ¹Ù·½ÍøÕ¾ 25-10000.jpg
    • 1000 x

    • 15.2~16.2

      Dv50£¨¦Ìm£©

    • 0.17~0.22

      BET£¨cm2/g£©

    • 58.5~59.5

      Co(wt%)

    • ¡Ý200

      ³äµç±ÈÈÝÁ¿£¨mAh/g£©£¨4.53V,0.1C£©

    • ¡Ý188.5

      ·Åµç±ÈÈÝÁ¿(mAh/g)£¨4.53V,0.1C£©

    ÊÖÒÕͼ±í

    • ǧÒÚ¡¤¹ú¼Ê(Öйú)Ψһ¹Ù·½ÍøÕ¾ 25-1.jpg
      ǧÒÚ¡¤¹ú¼Ê(Öйú)Ψһ¹Ù·½ÍøÕ¾

      ³ä·Åµçͼ

    • ǧÒÚ¡¤¹ú¼Ê(Öйú)Ψһ¹Ù·½ÍøÕ¾ 25-2.jpg
      ǧÒÚ¡¤¹ú¼Ê(Öйú)Ψһ¹Ù·½ÍøÕ¾

      Á£¶Èͼ

  • HC5001

    HC5001ÊÇǧÒÚ¹ú¼ÊÑ­»·×ÔÖ÷Ñз¢µÄ¸ßѹîÜËáï®Õý¼«ÖÊÁϲúÆ·£¬¾ß±¸¸ßÈÝÁ¿¡¢¸ßѹʵÃÜ¶ÈµÄµä·¶ÌØÕ÷£¬¸ßÄÜÁ¿Ãܶȡ¢¸ßµçѹµÈÓÅÊÆÏÔ×Å£¬¿ÉÖª×ã¸ßÄÜÁ¿ÃܶÈÐèÇó£¬ÏÖÆÕ±éÓ¦ÓÃÓÚ3CÁìÓò¡£

    • ǧÒÚ¡¤¹ú¼Ê(Öйú)Ψһ¹Ù·½ÍøÕ¾ ¸ßÈÝÁ¿.svg

      ¸ßÈÝÁ¿

    • ǧÒÚ¡¤¹ú¼Ê(Öйú)Ψһ¹Ù·½ÍøÕ¾ ¸ßÕñʵÃܶÈ.svg

      ¸ßѹʵÃܶÈ

    • ǧÒÚ¡¤¹ú¼Ê(Öйú)Ψһ¹Ù·½ÍøÕ¾ ÄÜÁ¿Ãܶȸß.svg

      ¸ßÄÜÁ¿ÃܶÈ

    • ǧÒÚ¡¤¹ú¼Ê(Öйú)Ψһ¹Ù·½ÍøÕ¾ ¸ßµçѹ-2.svg

      ¸ßµçѹ

    ǧÒÚ¡¤¹ú¼Ê(Öйú)Ψһ¹Ù·½ÍøÕ¾ 26-1000.jpg
    • 1000 x

    • 15.5~16.5

      Dv50(¦Ìm)

    • 0.17~0.22

      BET(cm2/g)

    • 58.5~59.5

      Co£¨wt%£©

    • ¡Ý204

      ³äµç±ÈÈÝÁ¿£¨mAh/g£©£¨4.55V,0.1C£©

    • ¡Ý194.0

      ·Åµç±ÈÈÝÁ¿£¨mAh/g£©£¨4.55V,0.1C£©

    ÊÖÒÕͼ±í

    • ǧÒÚ¡¤¹ú¼Ê(Öйú)Ψһ¹Ù·½ÍøÕ¾ 26-1.jpg
      ǧÒÚ¡¤¹ú¼Ê(Öйú)Ψһ¹Ù·½ÍøÕ¾

      ³ä·Åµçͼ

    • ǧÒÚ¡¤¹ú¼Ê(Öйú)Ψһ¹Ù·½ÍøÕ¾ 26-2.jpg
      ǧÒÚ¡¤¹ú¼Ê(Öйú)Ψһ¹Ù·½ÍøÕ¾

      Á£¶Èͼ

  • LL3503

  • LL3503

    LL3503ÊÇÒ»¿î¸»ï®¸ßÃ̵ÍÄøµÄÕý¼«ÖÊÁϲúÆ·¡£ÓÉǧÒÚ¹ú¼ÊÑ­»·×ÔǰÇýÌå¶ËÆô¶¯×ÔÖ÷Ñз¢£¬²úÆ·¾ß±¸¸ßÈÝÁ¿¡¢¸ßѹÃÜµÄµä·¶ÌØÕ÷£¬ÒÔ¼°¸ßÄÜÁ¿Ãܶȡ¢¸ßµçѹ¡¢¸ßÐÔ¼Û±ÈÔÚÄڵĶàά¶ÈÓÅÊÆ£¬¿Éͬʱ¼æ¹Ë¸ßÐøº½Àï³ÌºÍµÍ±¾Ç®µÄÐèÇó£¬ÊÇÕý¼«ÖÊÁÏÁìÓòÒ»¿î¼«¾ßDZÁ¦µÄ²úÆ·¡£

    • ǧÒÚ¡¤¹ú¼Ê(Öйú)Ψһ¹Ù·½ÍøÕ¾ ÄÜÁ¿Ãܶȸß.svg

      ¸ßÄÜÁ¿ÃܶÈ

    • ǧÒÚ¡¤¹ú¼Ê(Öйú)Ψһ¹Ù·½ÍøÕ¾ ¸ßµçѹ-2.svg

      ¸ßµçѹ

    • ǧÒÚ¡¤¹ú¼Ê(Öйú)Ψһ¹Ù·½ÍøÕ¾ ÐԼ۱ȸß.svg

      ¸ßÐÔ¼Û±È

    ǧÒÚ¡¤¹ú¼Ê(Öйú)Ψһ¹Ù·½ÍøÕ¾ 27-10000.jpg
    • 10000 x

    • 6~8

      Dv50(¦Ìm)

    • £¼2

      BET(m2/g)

    • 58.5~59.5

      Co£¨wt£©%

    • ¡Ý230

      ·Åµç±ÈÈÝÁ¿£¨0.1C£©(mAh/g)

    • ¡Ý225

      ·Åµç±ÈÈÝÁ¿£¨0.33C£©(mAh/g)

    ÊÖÒÕͼ±í

    • ǧÒÚ¡¤¹ú¼Ê(Öйú)Ψһ¹Ù·½ÍøÕ¾ 27-1.jpg
      ǧÒÚ¡¤¹ú¼Ê(Öйú)Ψһ¹Ù·½ÍøÕ¾

      ³ä·ÅµçÇúÏßͼ

    • ǧÒÚ¡¤¹ú¼Ê(Öйú)Ψһ¹Ù·½ÍøÕ¾ 27-2.jpg
      ǧÒÚ¡¤¹ú¼Ê(Öйú)Ψһ¹Ù·½ÍøÕ¾

      Á£¶ÈÂþÑÜͼ

ǧÒÚ¡¤¹ú¼Ê(Öйú)Ψһ¹Ù·½ÍøÕ¾ fujicailiao.svg

¸º¼«ÖÊÁÏ

  • ǧÒÚ¡¤¹ú¼Ê(Öйú)Ψһ¹Ù·½ÍøÕ¾ zaishengshimo.svg

    ÄÆµç¸º¼«

  • ǧÒÚ¡¤¹ú¼Ê(Öйú)Ψһ¹Ù·½ÍøÕ¾ guitanfuji.svg

    ¹è̼¸º¼«

  • SA0101

  • SA0101

    SA0101ÊÇÏÖÔÚÊг¡ÖÐΪÊýδ¼¸µÄ¿ÉÒÔͬʱʵÏÖ¸ßÈÝÁ¿¡¢¸ßÊ×ЧµÄӲ̼²úÆ·¡£Ç§ÒÚ¹ú¼ÊÑ­»·¾«×¼µ÷¿Ø²úÆ·¿×µÀ½á¹¹£¬ÊµÏָߴ¢ÄÆÈÝÁ¿£¬²úƷͬʱ»¹¾ß±¸¸ßÊ״οâÂ×ЧÂʺ͵ͱ¾Ç®ÔÚÄÚµÄÖî¶àÓÅÊÆ£¬¿ÉÖª×ã¿Í»§¶ÔÄÆÀë×Óµç³Ø¸º¼«ÖÊÁϱ¾Ç®ÓëÐÔÄÜ·½ÃæµÄ¶àÖØÐèÇó¡£

    • ǧÒÚ¡¤¹ú¼Ê(Öйú)Ψһ¹Ù·½ÍøÕ¾ ¸ßÈÝÁ¿.svg

      ¸ßÈÝÁ¿

    • ǧÒÚ¡¤¹ú¼Ê(Öйú)Ψһ¹Ù·½ÍøÕ¾ ¸ßÊ×Ч.svg

      ¸ßÊ×Ч

    • ǧÒÚ¡¤¹ú¼Ê(Öйú)Ψһ¹Ù·½ÍøÕ¾ ÖÊÁϱ¾Ç®µÍ.svg

      µÍ±¾Ç®

    ǧÒÚ¡¤¹ú¼Ê(Öйú)Ψһ¹Ù·½ÍøÕ¾ 4-2500.jpg
    • 2500 x

    • 4~6

      Dv50(¦Ìm)

    • £¼5

      BET(m2/g)

    • >0.6

      TD(g/cm3)

    • 0.37-0.42

      ²ã¼ä¾à(nm)

    • ¡Ý320

      ³äµç±ÈÈÝÁ¿(mAh/g)

    ÊÖÒÕͼ±í

    • ǧÒÚ¡¤¹ú¼Ê(Öйú)Ψһ¹Ù·½ÍøÕ¾ 4-1.jpg
      ǧÒÚ¡¤¹ú¼Ê(Öйú)Ψһ¹Ù·½ÍøÕ¾

      µç»¯Ñ§ÐÔÄÜͼ

    • ǧÒÚ¡¤¹ú¼Ê(Öйú)Ψһ¹Ù·½ÍøÕ¾ 4-2.jpg
      ǧÒÚ¡¤¹ú¼Ê(Öйú)Ψһ¹Ù·½ÍøÕ¾

      Á£¶ÈÐÅϢͼ

  • SN0104

  • SN0104

    SN0104Àú¾­ÈýÄêÑз¢ÖÜÆÚ£¬×îÔçÓ¦ÓÃÓڵ͹趯Á¦µç³ØÏîÄ¿¡£Ó¦ÓÃʱÔÚʯīÖÐÌí¼ÓÉÙÁ¿µÄ±¾²úÆ·¿ÉÒÔÌá¸ß²úÆ·ÈÝÁ¿£¬²¢ÔÚÑ­»·ÐÔÄÜ·½ÃæÊµÏÖ2000´ÎÑ­»·ÈÝÁ¿±£´æÂÊ´ï80%ÒÔÉÏ¡£

    • ǧÒÚ¡¤¹ú¼Ê(Öйú)Ψһ¹Ù·½ÍøÕ¾ Ñ­»·ÐÔÄÜ£¨ÓÅÒ죩.svg

      Ñ­»·ÐÔÄÜÓÅÒì

    ǧÒÚ¡¤¹ú¼Ê(Öйú)Ψһ¹Ù·½ÍøÕ¾ 5-20000.jpg
    ǧÒÚ¡¤¹ú¼Ê(Öйú)Ψһ¹Ù·½ÍøÕ¾ 5-5000.jpg
    ǧÒÚ¡¤¹ú¼Ê(Öйú)Ψһ¹Ù·½ÍøÕ¾ 5-1000.jpg
    • 20000 x

    • 5000 x

    • 1000 x

    • 3.7~7.7

      Dv50

    • 0.70~1.70

      BET

    • £¾0.0500

      Mn£¨wt%£©

    • £¾0.0300

      Fe£¨wt%£©

    • £¾0.0300

      Cu£¨wt%£©

    • £¾0.0300

      Cr£¨wt%£©

    • 54.00~63.70

      Si£¨wt%£©

    • £¾56.0

      Ê×Ч£¨wt%£©

    • 1350.0~1625.0

      Ê×·Å £¨wt%£©

    • 0.5 ~1.5

      C£¨wt%£©

    ÊÖÒÕͼ±í

    • ǧÒÚ¡¤¹ú¼Ê(Öйú)Ψһ¹Ù·½ÍøÕ¾ 5-1.jpg
      ǧÒÚ¡¤¹ú¼Ê(Öйú)Ψһ¹Ù·½ÍøÕ¾

      µçÐÔÄÜͼ

    • ǧÒÚ¡¤¹ú¼Ê(Öйú)Ψһ¹Ù·½ÍøÕ¾ 5-2.jpg
      ǧÒÚ¡¤¹ú¼Ê(Öйú)Ψһ¹Ù·½ÍøÕ¾

      ¹è̼¸º¼«Á£¶Èͼ

ǧÒÚ¡¤¹ú¼Ê(Öйú)Ψһ¹Ù·½ÍøÕ¾ b2icon06.svg

ǰÇýÌå

  • ǧÒÚ¡¤¹ú¼Ê(Öйú)Ψһ¹Ù·½ÍøÕ¾ linsuantie-804.svg

    Á×ËáÌú

  • ǧÒÚ¡¤¹ú¼Ê(Öйú)Ψһ¹Ù·½ÍøÕ¾ niemengqingyanghuawu.svg

    ÄøîÜÃÌÇâÑõ»¯Îï

  • FP0001

  • FP0002

  • FP0001

    FP0001ÊÇÒ»¿îÁ×ËáÌúï®Õý¼«ÖÊÁÏÓÃǰÇýÌå²úÆ·¡£ÔÚ¼î³Á¹¤ÒյĻù´¡ÉÏ£¬Ç§ÒÚ¹ú¼ÊÑ­»·¶Ô²úÆ·ÖÊÁϺ͹¤ÒÕ¾ÙÐÐÍ»ÆÆÐÔˢУ¬Ê¹Æä¾ß±¸¸ß±ÈÍâò»ýºÍµÍÁòµÄµä·¶ÌØÕ÷¡£¸Ã²úÆ·¸ß±È±í¡¢µÍÔÓÖʺ¬Á¿¡¢¸ßÕñʵÃܶÈ£¬¿ÉÖª×ã¸ßѹʵÁ×ËáÌú﮵ÄÐèÇ󣬿ɵִïÈý´úѹʵ²¢¿¿½üËÄ´úѹʵÐÔÄÜÒªÇó¡£ FP0001Òѱ»ÆÕ±éÓ¦ÓÃÓÚ¶¯Á¦½»Í¨¡¢µç¶¯¹¤¾ß¡¢´¢ÄÜ¡¢Í¨Ñ¶µÈÁìÓò£¬ÊÇÖÆ×÷Á×ËáÌúï®Õý¼«ÖÊÁϵÄÖ÷ÒªÖÊÁÏ£¬ÕýÕ¼ÓÐÖ÷Á÷Êг¡¡£

    • ǧÒÚ¡¤¹ú¼Ê(Öйú)Ψһ¹Ù·½ÍøÕ¾ ²úÆ·¸ß±È±í.svg

      ¸ß±È±í

    • ǧÒÚ¡¤¹ú¼Ê(Öйú)Ψһ¹Ù·½ÍøÕ¾ µÍÔÓÖʺ¬Á¿.svg

      µÍÔÓÖÊ

    • ǧÒÚ¡¤¹ú¼Ê(Öйú)Ψһ¹Ù·½ÍøÕ¾ ¸ßÕñʵÃܶÈ.svg

      ¸ßÕñʵÃܶÈ

    ǧÒÚ¡¤¹ú¼Ê(Öйú)Ψһ¹Ù·½ÍøÕ¾ 50000.jpg
    ǧÒÚ¡¤¹ú¼Ê(Öйú)Ψһ¹Ù·½ÍøÕ¾ 5000.jpg
    • 50000 ¡Á

    • 5000 ¡Á

    • 7.6¡À1

      BET£¨m2/g£©

    • 36.60¡À0.15

      Feº¬Á¿£¨ %£©

    • 20.80¡À0.15

      Pº¬Á¿£¨%£©

    • ¡Ü500

      Sº¬Á¿£¨ppm£©

    • 0.975¡À0.005

      Fe/P£¨Ä¦¶û±È£©

    ÊÖÒÕͼ±í

    • ǧÒÚ¡¤¹ú¼Ê(Öйú)Ψһ¹Ù·½ÍøÕ¾ 6-1.jpg
      ǧÒÚ¡¤¹ú¼Ê(Öйú)Ψһ¹Ù·½ÍøÕ¾

      Á£¶ÈÂþÑÜͼ

  • FP0002

    FP0002ÊÇÒ»¿îÁ×ËáÌúï®Õý¼«ÖÊÁÏÓÃǰÇýÌå²úÆ·¡£ ǧÒÚ¹ú¼ÊÑ­»·ÒÔ·ÏÁ×ËáÌúï®·ÛÌá﮺óÁ×ÌúÔüΪÖÊÁÏ£¬ÖƱ¸µç³Ø¼¶Á×ËáÌú¡£±¾²úÆ·¾ßÓй¤ÒÕ¼òÆÓ¡¢¸ßÕñʵÃܶȡ¢µÍ±¾Ç®µÈÓÅÊÆ£¬¿ÉÖª×ã¸ßѹʵÁ×ËáÌú﮵ÄÐèÇ󣬵ִï¶þ´úºÍÈý´úѹʵÐÔÄÜÒªÇó¡£ Ä¿½ñ£¬¸ÃÏî²úÆ·±»Ó¦ÓÃÓÚ¶¯Á¦½»Í¨¡¢µç¶¯¹¤¾ß¡¢´¢ÄÜ¡¢Í¨Ñ¶µÈÁìÓò£¬ÊÇÖÆ×÷Á×ËáÌúï®Õý¼«ÖÊÁϵÄÖ÷ÒªÖÊÁÏ£¬ÏÖÔÚÕýÕ¼ÓÐÖ÷Á÷Êг¡¡£

    • ǧÒÚ¡¤¹ú¼Ê(Öйú)Ψһ¹Ù·½ÍøÕ¾ ¹¤ÒÕ¼òÆÓ.svg

      ¹¤ÒÕ¼òÆÓ

    • ǧÒÚ¡¤¹ú¼Ê(Öйú)Ψһ¹Ù·½ÍøÕ¾ ¸ßÕñʵÃܶÈ.svg

      ¸ßÕñʵÃܶÈ

    • ǧÒÚ¡¤¹ú¼Ê(Öйú)Ψһ¹Ù·½ÍøÕ¾ ÖÊÁϱ¾Ç®µÍ.svg

      µÍ±¾Ç®

    ǧÒÚ¡¤¹ú¼Ê(Öйú)Ψһ¹Ù·½ÍøÕ¾ 1000.jpg
    • 1000 ¡Á

    • 2-6

      BET£¨m2/g£©

    • 36.60¡À0.15

      Feº¬Á¿£¨%£©

    • 20.80¡À0.15

      Pº¬Á¿£¨%£©

    • ¡Ü500

      Sº¬Á¿£¨ppm£©

    • 0.975¡À0.005

      Fe/P£¨Ä¦¶û±È£©

  • PH5003

  • PH5007

  • PH5503

  • PH6506

  • PH8302

  • PH8303

  • PH9203

  • PH9401

  • PH5003

    PH5003ÊÇÒ»¿îÖÐÄøÈýÔªÕý¼«Ç°ÇýÌå²úÆ·£¬Äøº¬Á¿Îª50%¡£Ä¿½ñÖ÷ÒªÓ¦ÓÃÓÚÊýÂëÀà»òÕßС¶¯Á¦¶à¾§µÄÕý¼«ÖÊÁÏÁìÓò¡£Ö÷º¬Á¿Ä¦¶û±È¿É¶¨Ïò»¯Éè¼Æ¡£

    • ǧÒÚ¡¤¹ú¼Ê(Öйú)Ψһ¹Ù·½ÍøÕ¾ ¶¨Ïò»¯Éè¼Æ.svg

      ¶¨Ïò»¯Éè¼Æ

    ǧÒÚ¡¤¹ú¼Ê(Öйú)Ψһ¹Ù·½ÍøÕ¾ 7-10000.jpg
    ǧÒÚ¡¤¹ú¼Ê(Öйú)Ψһ¹Ù·½ÍøÕ¾ 7-1000.jpg
    • 10000 x

    • 1000 x

    • 10.0¡À1.0

      D50(¦Ìm)

    • 6.0¡À2.0

      BET(m2/g)

    • 50.0¡À0.5

      Ni(mol%)

    • 20.0¡À0.5

      Co(mol%)

    • 30.0¡À0.5

      Mn(mol%)

    ÊÖÒÕͼ±í

    • ǧÒÚ¡¤¹ú¼Ê(Öйú)Ψһ¹Ù·½ÍøÕ¾ 7-1.jpg
      ǧÒÚ¡¤¹ú¼Ê(Öйú)Ψһ¹Ù·½ÍøÕ¾

  • PH5007

    PH5007ÊÇÒ»¿îÖÐÄøÐ¡¿ÅÁ£ÈýÔªÕý¼«Ç°ÇýÌå²úÆ·£¬Äøº¬Á¿Îª50%¡£Ä¿½ñÖ÷ÒªÓ¦ÓÃÓÚÊýÂëÀà»òÕß¶¯Á¦µ¥¾§µÄÕý¼«ÖÊÁÏÁìÓò¡£Ö÷º¬Á¿Ä¦¶û±È¿É¶¨Ïò»¯Éè¼Æ¡£

    • ǧÒÚ¡¤¹ú¼Ê(Öйú)Ψһ¹Ù·½ÍøÕ¾ ¶¨Ïò»¯Éè¼Æ.svg

      ¶¨Ïò»¯Éè¼Æ

    ǧÒÚ¡¤¹ú¼Ê(Öйú)Ψһ¹Ù·½ÍøÕ¾ 8-50000.jpg
    ǧÒÚ¡¤¹ú¼Ê(Öйú)Ψһ¹Ù·½ÍøÕ¾ 8-10000.jpg
    ǧÒÚ¡¤¹ú¼Ê(Öйú)Ψһ¹Ù·½ÍøÕ¾ 8-1000.jpg
    • 50000 x

    • 10000 x

    • 1000 x

    • 3.9¡À0.5

      D50(¦Ìm)

    • 9.0¡À3.0

      BET(m2/g)

    • 50.0¡À0.5

      Ni(mol%)

    • 20.0¡À0.5

      Co(mol%)

    • 30.0¡À0.5

      Mn(mol%)

    ÊÖÒÕͼ±í

    • ǧÒÚ¡¤¹ú¼Ê(Öйú)Ψһ¹Ù·½ÍøÕ¾ 8-1.jpg
      ǧÒÚ¡¤¹ú¼Ê(Öйú)Ψһ¹Ù·½ÍøÕ¾

      Á£¶ÈÂþÑÜͼ

  • PH5503

    PH5503ÊÇÒ»¿îÖÐÄøÐ¡¿ÅÁ£ÈýÔªÕý¼«Ç°ÇýÌå²úÆ·£¬Äøº¬Á¿Îª55%¡£Ä¿½ñÖ÷ÒªÓ¦ÓÃÓÚ¶¯Á¦µ¥¾§ÀàÕý¼«ÖÊÁÏÁìÓò¡£Ö÷º¬Á¿Ä¦¶û±È¿É¶¨Ïò»¯Éè¼Æ¡£

    • ǧÒÚ¡¤¹ú¼Ê(Öйú)Ψһ¹Ù·½ÍøÕ¾ ¶¨Ïò»¯Éè¼Æ.svg

      ¶¨Ïò»¯Éè¼Æ

    ǧÒÚ¡¤¹ú¼Ê(Öйú)Ψһ¹Ù·½ÍøÕ¾ 9-50000.jpg
    ǧÒÚ¡¤¹ú¼Ê(Öйú)Ψһ¹Ù·½ÍøÕ¾ 9-10000.jpg
    • 50000 x

    • 10000 x

    • 3.9¡À0.5

      D50(¦Ìm)

    • 9.0¡À3.0

      BET(m2/g)

    • 55.0¡À0.5

      Ni(mol%)

    • 12.0¡À0.5

      Co(mol%)

    • 33.0¡À0.5

      Mn(mol%)

    ÊÖÒÕͼ±í

    • ǧÒÚ¡¤¹ú¼Ê(Öйú)Ψһ¹Ù·½ÍøÕ¾ 9-1.jpg
      ǧÒÚ¡¤¹ú¼Ê(Öйú)Ψһ¹Ù·½ÍøÕ¾

      Á£¶ÈÂþÑÜͼ

  • PH6506

    PH6506ÊÇÒ»¿îÖÐÄøÐ¡¿ÅÁ£ÈýÔªÕý¼«Ç°ÇýÌå²úÆ·£¬Äøº¬Á¿Îª65%¡£Ä¿½ñÖ÷ÒªÓ¦ÓÃÓÚ¶¯Á¦µ¥¾§ÀàÕý¼«ÖÊÁÏÁìÓò¡£Ö÷º¬Á¿Ä¦¶û±È¿É¶¨Ïò»¯Éè¼Æ¡£

    • ǧÒÚ¡¤¹ú¼Ê(Öйú)Ψһ¹Ù·½ÍøÕ¾ ¶¨Ïò»¯Éè¼Æ.svg

      ¿É¶¨Ïò»¯Éè¼Æ

    ǧÒÚ¡¤¹ú¼Ê(Öйú)Ψһ¹Ù·½ÍøÕ¾ 10-50000.jpg
    ǧÒÚ¡¤¹ú¼Ê(Öйú)Ψһ¹Ù·½ÍøÕ¾ 10-10000.jpg
    ǧÒÚ¡¤¹ú¼Ê(Öйú)Ψһ¹Ù·½ÍøÕ¾ 10-1000.jpg
    • 50000 x

    • 10000 x

    • 1000 x

    • 3.8¡À0.4

      D50(¦Ìm)

    • 9.0¡À2.0

      BET(m2/g)

    • 65.0¡À0.5

      Ni(mol%)

    • 7.0¡À0.5

      Co(mol%)

    • 28.0¡À0.5

      Mn(mol%)

    ÊÖÒÕͼ±í

    • ǧÒÚ¡¤¹ú¼Ê(Öйú)Ψһ¹Ù·½ÍøÕ¾ 10-1.jpg
      ǧÒÚ¡¤¹ú¼Ê(Öйú)Ψһ¹Ù·½ÍøÕ¾

      Á£¶ÈÂþÑÜͼ

  • PH8302

    PH8302ÊÇÒ»¿î¸ßÄøÈýÔªÕý¼«Ç°ÇýÌå²úÆ·£¬Äøº¬Á¿Îª83%£¬îܺ¬Á¿Îª12%¡£¾ß±¸Ñ­»·ÊÙÃü³¤¡¢ÄÜÁ¿Ãܶȸߡ¢Çå¾²ÐÔÇ¿¡¢±¾Ç®µÍµÈÓÅÊÆ£¬¿ÉÖª×ã¸ßÐøº½¸ßÇå¾²ÐԵͱ¾Ç®µÄÐèÇó¡£Ö÷º¬Á¿Ä¦¶û±È¿É¶¨Ïò»¯Éè¼Æ¡£

    • ǧÒÚ¡¤¹ú¼Ê(Öйú)Ψһ¹Ù·½ÍøÕ¾ b2_icon01.svg

      Ñ­»·ÊÙÃü³¤

    • ǧÒÚ¡¤¹ú¼Ê(Öйú)Ψһ¹Ù·½ÍøÕ¾ b2_icon02.svg

      ÄÜÁ¿Ãܶȸß

    • ǧÒÚ¡¤¹ú¼Ê(Öйú)Ψһ¹Ù·½ÍøÕ¾ b2_icon03.svg

      Çå¾²ÐÔÇ¿

    • ǧÒÚ¡¤¹ú¼Ê(Öйú)Ψһ¹Ù·½ÍøÕ¾ ÖÊÁϱ¾Ç®µÍ.svg

      ±¾Ç®µÍ

    • ǧÒÚ¡¤¹ú¼Ê(Öйú)Ψһ¹Ù·½ÍøÕ¾ ¶¨Ïò»¯Éè¼Æ.svg

      ¶¨Ïò»¯Éè¼Æ

    ǧÒÚ¡¤¹ú¼Ê(Öйú)Ψһ¹Ù·½ÍøÕ¾ 11-50000.jpg
    ǧÒÚ¡¤¹ú¼Ê(Öйú)Ψһ¹Ù·½ÍøÕ¾ 11-10000.jpg
    ǧÒÚ¡¤¹ú¼Ê(Öйú)Ψһ¹Ù·½ÍøÕ¾ 11-1000.jpg
    • 50000 x

    • 10000 x

    • 1000 x

    • 10.0¡À1.0

      D50(¦Ìm)

    • 7.0¡À2.0

      BET(m2/g)

    • 83.0¡À0.5

      Ni(mol%)

    • 12.0¡À0.5

      Co(mol%)

    • 5.0¡À0.5

      Mn(mol%)

    ÊÖÒÕͼ±í

    • ǧÒÚ¡¤¹ú¼Ê(Öйú)Ψһ¹Ù·½ÍøÕ¾ 11-1.jpg
      ǧÒÚ¡¤¹ú¼Ê(Öйú)Ψһ¹Ù·½ÍøÕ¾

  • PH8303

    PH8303ÊÇÒ»¿î¸ßÄøÈýÔªÕý¼«Ç°ÇýÌå²úÆ·£¬Äøº¬Á¿Îª83%£¬îܺ¬Á¿Îª12%¡£¾ß±¸Ñ­»·ÊÙÃü³¤¡¢ÄÜÁ¿Ãܶȸߡ¢Çå¾²ÐԸߡ¢±¾Ç®µÍµÈÓÅÊÆ£¬¿ÉÖª×ã¸ßÐøº½¸ßÇå¾²ÐԵͱ¾Ç®µÄÐèÇó¡£Ö÷º¬Á¿Ä¦¶û±È¿É¶¨Ïò»¯Éè¼Æ¡£

    • ǧÒÚ¡¤¹ú¼Ê(Öйú)Ψһ¹Ù·½ÍøÕ¾ b2_icon01.svg

      Ñ­»·ÊÙÃü³¤

    • ǧÒÚ¡¤¹ú¼Ê(Öйú)Ψһ¹Ù·½ÍøÕ¾ b2_icon02.svg

      ÄÜÁ¿Ãܶȸß

    • ǧÒÚ¡¤¹ú¼Ê(Öйú)Ψһ¹Ù·½ÍøÕ¾ b2_icon03.svg

      Çå¾²ÐÔ¸ß

    • ǧÒÚ¡¤¹ú¼Ê(Öйú)Ψһ¹Ù·½ÍøÕ¾ ÖÊÁϱ¾Ç®µÍ.svg

      ±¾Ç®µÍ

    • ǧÒÚ¡¤¹ú¼Ê(Öйú)Ψһ¹Ù·½ÍøÕ¾ ¶¨Ïò»¯Éè¼Æ.svg

      ¶¨Ïò»¯Éè¼Æ

    ǧÒÚ¡¤¹ú¼Ê(Öйú)Ψһ¹Ù·½ÍøÕ¾ 12-50000.jpg
    ǧÒÚ¡¤¹ú¼Ê(Öйú)Ψһ¹Ù·½ÍøÕ¾ 12-10000.jpg
    ǧÒÚ¡¤¹ú¼Ê(Öйú)Ψһ¹Ù·½ÍøÕ¾ 12-1000.jpg
    • 50000 x

    • 10000 x

    • 1000 x

    • 3.8¡À0.4

      D50(¦Ìm)

    • 15.0¡À2.0

      BET(m2/g)

    • 83.0¡À0.5

      Ni(mol%)

    • 12.0¡À0.5

      Co(mol%)

    • 5.0¡À0.5

      Mn(mol%)

    ÊÖÒÕͼ±í

    • ǧÒÚ¡¤¹ú¼Ê(Öйú)Ψһ¹Ù·½ÍøÕ¾ 12-1.jpg
      ǧÒÚ¡¤¹ú¼Ê(Öйú)Ψһ¹Ù·½ÍøÕ¾

      Á£¶ÈÂþÑÜͼ

  • PH9203

    PH9203ÊÇÒ»¿î³¬¸ßÄøÈýÔªÕý¼«Ç°ÇýÌå²úÆ·£¬Äøº¬Á¿Îª92%¡£¾ß±¸Ñ­»·ÊÙÃü³¤¡¢ÄÜÁ¿Ãܶȸߡ¢Çå¾²ÐÔÇ¿¡¢ÇéÐÎÓѺõÈÓÅÊÆ£¬¿ÉÖª×ã¸ßÐøº½Àï³ÌÐèÇó¡£±¾²úÆ·ÊÇÖÊÁÏÁìÓò¼«¾ßDZÁ¦µÄÒ»¿î²úÆ·£¬ÒÑÓ¦ÓÃÓڸ߶˵綯Æû³µÁìÓò£¬ÊÇÖÆ×÷³¤Ðøº½µç¶¯Æû³µµç³ØµÄÖ÷ÒªÖÊÁÏ¡£Ö÷º¬Á¿Ä¦¶û±È¿É¶¨Ïò»¯Éè¼Æ¡£

    • ǧÒÚ¡¤¹ú¼Ê(Öйú)Ψһ¹Ù·½ÍøÕ¾ b2_icon01.svg

      Ñ­»·ÊÙÃü³¤

    • ǧÒÚ¡¤¹ú¼Ê(Öйú)Ψһ¹Ù·½ÍøÕ¾ b2_icon02.svg

      ÄÜÁ¿Ãܶȸß

    • ǧÒÚ¡¤¹ú¼Ê(Öйú)Ψһ¹Ù·½ÍøÕ¾ b2_icon03.svg

      Çå¾²ÐÔÇ¿

    • ǧÒÚ¡¤¹ú¼Ê(Öйú)Ψһ¹Ù·½ÍøÕ¾ ÇéÐÎÓѺÃ.svg

      ÇéÐÎÓѺÃ

    • ǧÒÚ¡¤¹ú¼Ê(Öйú)Ψһ¹Ù·½ÍøÕ¾ ¶¨Ïò»¯Éè¼Æ.svg

      ¶¨Ïò»¯Éè¼Æ

    ǧÒÚ¡¤¹ú¼Ê(Öйú)Ψһ¹Ù·½ÍøÕ¾ PH9203-50000.png
    ǧÒÚ¡¤¹ú¼Ê(Öйú)Ψһ¹Ù·½ÍøÕ¾ PH9203-10000 (1).png
    ǧÒÚ¡¤¹ú¼Ê(Öйú)Ψһ¹Ù·½ÍøÕ¾ PH9203-5000 (1).png
    ǧÒÚ¡¤¹ú¼Ê(Öйú)Ψһ¹Ù·½ÍøÕ¾ PH9203-1000 (1).png
    • 50000 x

    • 10000 x

    • 5000 x

    • 1000 x

    • 10.0¡À1.0

      D50(¦Ìm)

    • 8.0¡À2.0

      BET(m2/g)

    • 92.0¡À0.5

      Ni(mol%)

    • 5.0¡À0.5

      Co(mol%)

    • 3.0¡À0.5

      Mn(mol%)

    ÊÖÒÕͼ±í

    • ǧÒÚ¡¤¹ú¼Ê(Öйú)Ψһ¹Ù·½ÍøÕ¾ 13-1.jpg
      ǧÒÚ¡¤¹ú¼Ê(Öйú)Ψһ¹Ù·½ÍøÕ¾

  • PH9401

    PH9401ÊÇÒ»¿î³¬¸ßÄøÐ¡¿ÅÁ£ÈýÔªÕý¼«Ç°ÇýÌå²úÆ·£¬Äøº¬Á¿Îª94%¡£ÏÖÔÚÖ÷ÒªÓ¦ÓÃÓÚ¶¯Á¦µ¥¾§ÀàÕý¼«ÖÊÁÏÁìÓò£¬Ö÷º¬Á¿Ä¦¶û±È¿É×ö¶¨Ïò»¯Éè¼Æ¡£

    • ǧÒÚ¡¤¹ú¼Ê(Öйú)Ψһ¹Ù·½ÍøÕ¾ ¶¨Ïò»¯Éè¼Æ.svg

      ¶¨Ïò»¯Éè¼Æ

    ǧÒÚ¡¤¹ú¼Ê(Öйú)Ψһ¹Ù·½ÍøÕ¾ 14-50000.jpg
    ǧÒÚ¡¤¹ú¼Ê(Öйú)Ψһ¹Ù·½ÍøÕ¾ 14-10000.jpg
    ǧÒÚ¡¤¹ú¼Ê(Öйú)Ψһ¹Ù·½ÍøÕ¾ 14-1000.jpg
    • 50000 x

    • 10000 x

    • 1000 x

    • 3.6¡À0.4

      D50(¦Ìm)

    • 16.0¡À2.0

      BET(m2/g)

    • 94.0¡À0.5

      Ni(mol%)

    • 4.0¡À0.5

      Co(mol%)

    • 2.0¡À0.5

      Mn(mol)

    ÊÖÒÕͼ±í

    • ǧÒÚ¡¤¹ú¼Ê(Öйú)Ψһ¹Ù·½ÍøÕ¾ 14-1.jpg
      ǧÒÚ¡¤¹ú¼Ê(Öйú)Ψһ¹Ù·½ÍøÕ¾

      Á£¶ÈÂþÑÜͼ

ǧÒÚ¡¤¹ú¼Ê(Öйú)Ψһ¹Ù·½ÍøÕ¾ kuangchanlei.svg

¿ó²úÆ·

  • ǧÒÚ¡¤¹ú¼Ê(Öйú)Ψһ¹Ù·½ÍøÕ¾ nietie.svg

    ÄøÌú

  • FeNi20

  • FeNi20

    FeNi20ÊÇRKEFÒ±Á¶¹¤ÒÕÖ±½Ó²úÆ·¡£ÔÚRKEFÒ±Á¶¹¤ÒյĻù´¡ÉÏ£¬Ç§ÒÚ¹ú¼ÊÑ­»·Î§ÈÆÄøÌú¾«Á¶ÍÑÔÓ¡¢ÄøÌúÖÆ·ÛµÈÆ«Ïò¾ÙÐÐÁ¢ÒìÐÔÑз¢Í»ÆÆ£¬Ò»Á¬ÌáÉýÄøÌú·Û½þ³öÂÊ¡£ ±¾²úÆ·ÔÚÖÆ±¸Á×ËáÌú﮼°ÈýÔªÖÊÁÏ·½Ãæ¾ß±¸ÐԼ۱ȸߡ¢Çå¾²ÐÔÇ¿¡¢Ó¦ÓùæÄ£¹ã¡¢Æ·ÖÊÓÅÔ½¡¢¹æÄ£´ó¡¢±¾Ç®µÍ¡¢ÇéÐÎÓѺõÈÓÅÊÆ¡£ Ä¿½ñ£¬¸ÃÏî²úÆ·Òѱ»ÆÕ±éÓ¦ÓÃÓÚ²»Ðâ¸Ö¡¢Ìظ֡¢ÄÍÈȸÖÖý¼þÁìÓò£¬ÖƱ¸ÄøÌú·Û¿ÉÓÃÓÚ´ÅÐÔ×ÓÁÏ¡¢´ß»¯¼Á¡¢µç¶ÆµÈÁìÓò£¬ÊÇÖÆ×÷Á×ËáÌú﮼°ÈýԪǰÇýÌåµÄÖ÷ÒªÖÊÁÏ£¬Õ¼ÓÐÖÆ±¸Á×ËáÌú¡¢Á×ËáÌú﮼°ÈýÔªÖÊÁÏÁìÓòÖ÷Á÷Êг¡¡£

    • ǧÒÚ¡¤¹ú¼Ê(Öйú)Ψһ¹Ù·½ÍøÕ¾ ÐԼ۱ȸß.svg

      ÐԼ۱ȸß

    • ǧÒÚ¡¤¹ú¼Ê(Öйú)Ψһ¹Ù·½ÍøÕ¾ Çå¾²ÐÔÇ¿.svg

      Çå¾²ÐÔÇ¿

    • ǧÒÚ¡¤¹ú¼Ê(Öйú)Ψһ¹Ù·½ÍøÕ¾ Ó¦ÓùæÄ£¹ã.svg

      Ó¦ÓùæÄ£¹ã

    • ǧÒÚ¡¤¹ú¼Ê(Öйú)Ψһ¹Ù·½ÍøÕ¾ b2icon01.svg

      Æ·ÖÊÓÅÔ½

    • ǧÒÚ¡¤¹ú¼Ê(Öйú)Ψһ¹Ù·½ÍøÕ¾ ÖÊÁϱ¾Ç®µÍ.svg

      ±¾Ç®µÍ

    • ǧÒÚ¡¤¹ú¼Ê(Öйú)Ψһ¹Ù·½ÍøÕ¾ ÇéÐÎÓѺÃ.svg

      ÇéÐÎÓѺÃ

    ǧÒÚ¡¤¹ú¼Ê(Öйú)Ψһ¹Ù·½ÍøÕ¾ lQDPJwfmkIHWsqvNAbjNBNiwhP0bOD_AtiUFlx-D0ix9AA_1240_440.jpg
    ǧÒÚ¡¤¹ú¼Ê(Öйú)Ψһ¹Ù·½ÍøÕ¾ 1-10000.jpg
    ǧÒÚ¡¤¹ú¼Ê(Öйú)Ψһ¹Ù·½ÍøÕ¾ 1-5000.jpg
    ǧÒÚ¡¤¹ú¼Ê(Öйú)Ψһ¹Ù·½ÍøÕ¾ 1-1000.jpg
    • ²úÆ·

    • 10000 ¡Á

    • 5000 ¡Á

    • 1000 ¡Á

    • 1430~1480

      È۵㣨¡æ£©

    • 8.1~8.4

      Ãܶȣ¨g/cm3£©

    • 10~30

      Ni£¨%£©

    • 1~3.6

      C£¨%£©

    • <0.2

      Si£¨%£©

    • <0.03

      P£¨%£©

    • 0.2~0.5

      S£¨%£©

ǧÒÚ¡¤¹ú¼Ê(Öйú)Ψһ¹Ù·½ÍøÕ¾ huagongyan-430.svg

ï®ÑÎ

  • ǧÒÚ¡¤¹ú¼Ê(Öйú)Ψһ¹Ù·½ÍøÕ¾ tansuan.svg

    ̼Ëáï®

  • ǧÒÚ¡¤¹ú¼Ê(Öйú)Ψһ¹Ù·½ÍøÕ¾ qingyanghua.svg

    ÇâÑõ»¯ï®

  • LC0101

  • LC0101

    LC0101ÊÇµç³Ø½ÓÄÉת»¯µÄï®ÑβúÆ·£¬½ÓÄÉÑз¢Àú³ÌÂÄÀúÊýÄ꣬ÖƱ¸³öµÄ²úÆ·ÔÓÖʺ¬Á¿µÍ¡¢Ó¦ÓùæÄ£¹ã£¬¼«¾ßÊг¡ÓÅÊÆ¡£²úÆ·ÆÕ±éÓ¦ÓÃÓÚÖÇÄÜÊÖ»ú¡¢Ìõ¼Ç±¾µçÄÔ¡¢µç¶¯Æû³µµÈÁìÓò£¬ÊÇÖÆ±¸ï®Àë×Óµç³ØµÄÖ÷ÒªÖÊÁÏ¡£

    • ǧÒÚ¡¤¹ú¼Ê(Öйú)Ψһ¹Ù·½ÍøÕ¾ µÍÔÓÖʺ¬Á¿.svg

      ÔÓÖʺ¬Á¿µÍ

    • ǧÒÚ¡¤¹ú¼Ê(Öйú)Ψһ¹Ù·½ÍøÕ¾ Ó¦ÓùæÄ£¹ã.svg

      Ó¦ÓùæÄ£¹ã

    ǧÒÚ¡¤¹ú¼Ê(Öйú)Ψһ¹Ù·½ÍøÕ¾ 2-10000.jpg
    ǧÒÚ¡¤¹ú¼Ê(Öйú)Ψһ¹Ù·½ÍøÕ¾ 2-5000.jpg
    ǧÒÚ¡¤¹ú¼Ê(Öйú)Ψһ¹Ù·½ÍøÕ¾ 2-2500.jpg
    • 10000 x

    • 5000 x

    • 2500 x

    • ¡Ü0.25

      Ë®·Ö£¨%£©

    • ¡Ü0.50

      ×ÆÊ§ÂÊ£¨%£©

    • ¡Ü200

      ´ÅÐÔÒìÎppb£©

    • ¡Ý90.0

      °×¶È

    • 4.1-6.6

      D50£¨¦Ìm£©

    • <0.03

      P£¨%£©

    • ¡Ý99.55

      ̼Ëáï®Ö÷º¬Á¿£¨%£©

  • LH0102

  • LH0102

    µ¥Ë®ÇâÑõ»¯ï®ÊÇµç³Ø½ÓÄɵÄת»¯ÁíÒ»¿îÖ÷Ҫ﮲úÆ·£¬¸Ã²úÆ·ÊÇÆäËüï®ÑβúÆ·µÄÖ÷ÒªÖÊÁÏ£¬ÊÇÖÆ±¸ÈýÔªÕý¼«ÖÊÁϵÄÖ÷ÒªÖÊÁÏ¡£

    • ǧÒÚ¡¤¹ú¼Ê(Öйú)Ψһ¹Ù·½ÍøÕ¾ Ó¦ÓùæÄ£¹ã.svg

      Ó¦ÓùæÄ£¹ã

    ǧÒÚ¡¤¹ú¼Ê(Öйú)Ψһ¹Ù·½ÍøÕ¾ 3-30000.jpg
    ǧÒÚ¡¤¹ú¼Ê(Öйú)Ψһ¹Ù·½ÍøÕ¾ 3-10000.jpg
    ǧÒÚ¡¤¹ú¼Ê(Öйú)Ψһ¹Ù·½ÍøÕ¾ 5000.jpg
    • 30000 x

    • 10000 x

    • 5000 ¡Á

    • ¡Ü75

      ´ÅÐÔÒìÎppb£©

    • ¡Ü800

      D50£¨um£©

    • ¡Ý16.47-16.90

      Liº¬Á¿£¨%£©

ÎÒÃÇÚÐÌýÄúµÄÉùÒô

ÍøÕ¾µØÍ¼